ZWO USB Filterrad für 7x 2" Filter

ZWO USB Filterrad für 7x 2" Filter

Kompaktes Filterrad für ZWO MONO CCD-Kameras - perfekt für Astrofotografie mit L-RGB Filtern und Nebelfiltern
Hersteller : ZW Optical
Artikelnummer : TSO-ZWOEFW7X2
Sonderpreis: 536,75 € inkl. MwSt. 19% (Deutschland)
565,00 €
Voraussichtliche Lieferzeit : 1-4 Tage (gilt für Neubestellungen)
Produktbeschreibung
ZWO USB Filterrad für 7x 2"-Filter

ZWOs neuestes EFW (Electronic Filter Wheel) bietet eine größere freie Öffnung als die bisherigen Filterräder, ist aber trotzdem nicht schwer - nur 650 Gramm!

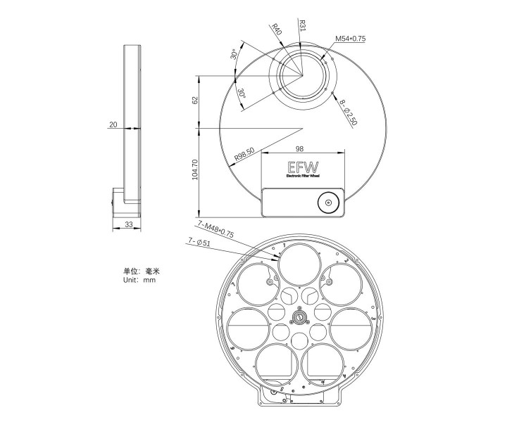
Das Filterradgehäuse ist aus einem Block Flugzeugaluminium CNC-gefräst. Es zeichnet sich durch eine hervorragende Verarbeitung aus, ist sehr dünn und leicht mit nur 20 mm Dicke.

Motorantrieb
Das Kernstück des EFW ist der Schrittmotor, der mit zuverlässiger Leistung und Qualität aus dem Hause NPM, Japan, kommt. Das elektrische 2"-Filterrad kann zur Filterauswahl sowohl gegen als auch im Uhrzeigersinn gedreht werden.

Es sind nicht mehrere Kabel erforderlich, um dieses Rad mit Strom zu versorgen, ein einzelnes USB-Kabel reicht aus. Der maximale Strombedarf dieses EFWs beträgt ca. 120 mA @ 5 V, wodurch es über den USB2.0-Port der gekühlten CCD-Kamera betrieben werden kann.

Filter

Es gibt zwei Spezifikationen für das EFW2?:

  • TYP1: EFW5X2"
  • TYP2: EFW7X2" (dieses Filterrad)


Beide nehmen 2"-Einschraubfilter und ungefasste Filter mit 50,4 mm ±0,5 mm Durchmesser auf.

Bei Anschluss an die ASI6200 beträgt der Abstand vom Filter zum Sensor ca. 18 mm.

ASIs 2"-RGBL-Filter werden für die Arbeit mit der ASI6200MM Pro Kamera empfohlen, sie bietet dann eine nahezu 1:1:1 RGB Farbbalance.

Das dritte Bild zeigt die Anforderungen, die bei der Verwendung von 2"-Filtern von Drittanbietern erfüllt werden müssen.

Downloads, Treiber:
ZW Optical stellt Software und Treiber online zum freien Download zur Verfügung.

Lieferumfang:
  • EFW2*7 Filterrad
  • USB2.0 - 2 m Kabel
  • Ein Beutel mit M2,5x6 Schrauben (6 Stück/Beutel)
  • Ein Beutel Filtermasken für 50 mm Filter (7 Stk./Beutel)
  • Kreuzschlitzschraubenzieher
  • Ein Beutel M2x4 Senkkopfschrauben (23 Stück/ Beutel)
  • M54M-M48F Adapter
  • M54M-M42F Adapter
Produktspezifikation
GehäusematerialCNC gefrästes Metallgehäuse
Filtergewinde / Größe2"
Dicke20 mm
Anschluss TeleskopM54x0,75 Innengewinde
StromversorgungUSB
Gewicht650g
Abstand Anschluß zum Chip18mm bei ASI6200
MotorsteuerungSchrittmotor von NPM, Japan
SoftwareAscom, SDK

Benutzer, die diesen Artikel gekauft haben, haben auch gekauft